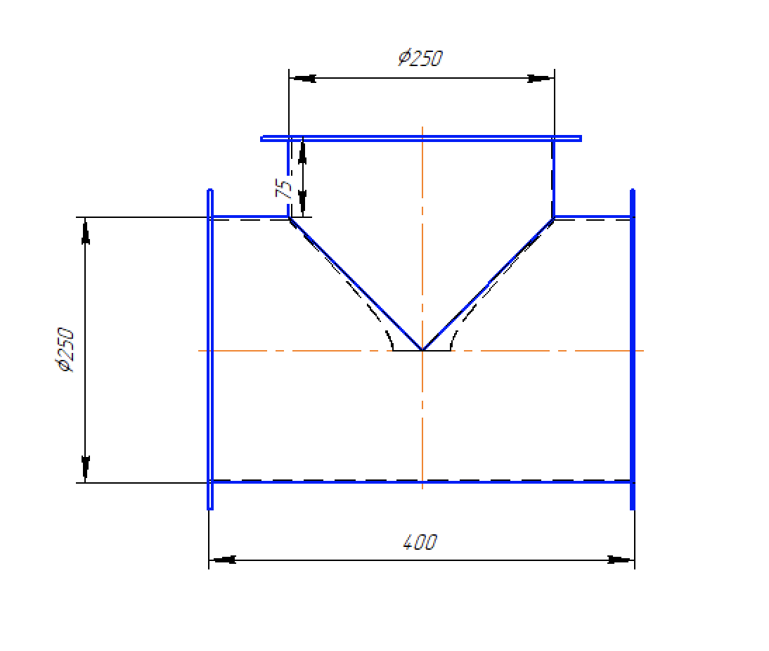
Тройник круглый, фланцевое соединение. Применяется для разветвления вентиляционной сети. С воздуховодами соединяются при помощи болтов, стяжек.
Главная _
Тройник Т-образный 250 мм полипропилен
Тройник Т-образный 250 мм полипропилен
| Диаметр: | 250 |
| Производитель: | Визионер |
| Тип: | Круглое сечение (диаметр 250 мм), Тройник |
| Страна производства: | Россия |
| Размеры: | 400x330x290 |
| Вес: | 1.6 |
Авторизуйтесь, чтобы оставить отзыв: Войти




